一、项目内容
本项目系对广东省博物馆展厅进行展览的视觉设计,设备需求及安装,整体项目包含裸眼3D全息电视采购和安装调试服务。
(一)采购内容清单
采购内容清单 | |||||
序号 | 类别 | 项目 | 数量 | 单位 | 备注 |
1 | 产品信息 | 86 英寸全息电视(竖屏) | 1 | 个 | |
55 英寸全息拼接屏电视 | 4 | 个 | |||
2 | 安装调试 | 甲供设备,同时负责提供安装、部署联调服务。 | 2 | 次 | 预定制环境、展会场景和展览落地场景 |
3 | 技术维护 | 提供展览期间技术维护服务,影响时间2小时内 | 12 | 月 | |
项目中涉及到的硬件安装由甲方提供,乙方须提供内容安装、系统集成及联调服务。
项目实施地点:采购人指定
项目工期:30工作日
项目限价:16万元
(二)项目要求
本项目全息3D裸眼展示,以3D沉浸式表现为主体,让观众能从全新的角度去观赏展品,以崭新的观赏体验去感受到时代的氛围以及展品的历史形象。通过真裸眼 3D 显示效果高效吸引注意力,展现真实景深和空间遮挡效果,支持多人在大范围内多视角同时观看、实时交互。配备高效控播系统、丰富的内容生态系统和完善的软件支持。
1.采购参数信息
项目参数要求:
(1)86 英寸全息电视(竖屏)
性能 | 指标参数 |
3D图像效果 | ▲1、在观看角度范围内,不存在3D图像跳变。观看者水平移动,可以观看到连续各个角度3D图像; ▲2、观看角度范围内,具有平滑连续的运动视差以及正确的3D立体图像遮挡关系; |
观看视角 | ▲显示器正面3个最佳观看位置,每个观看位置观看视角约25度(在某固定观看位置,观看者左右移动时会观看到两次图像跳变,两个跳变位置与屏幕中心夹角为观看视角) |
整体3D图像深度 | ▲显示深度为90cm(出屏45cm、入屏45cm) |
视点数目 | ▲60视点,空间视点密度达到2.4个/度 |
是否存在人眼眩晕 | ▲空间视点密度达到2.4个/度,满足人眼辅凑调节机理,长时间观看无不适感 |
配套软件情况 | 配套各类3D模型转件插件及教程,如3DMax、Blender、Unity、UE、C4D等,客户可自行生成3D内容进行展示;支持各类3D格式导入,如max+vray,.blend,.c4d,.fbx.obj(mtl),.gltf;开放交互接口。 |
是否支持2D3D转换 | 支持 |
背光模组亮度均匀度 | 利用亮度计测量背光模组不同位置亮度,可计算出亮度均匀度大于90% |
尺寸 | 86英寸 |
底屏分辨率 | 8K |
显示亮度 | 500nit±50nit |
显示刷新率 | 60Hz |
显示色温 | 8000K±500K |
功能接口 | DP×2 (单接口8K@30Hz,双接口8K@60Hz),HDMI×4(单接口4K@60Hz,四接口8K@60Hz) |
产品功耗 | <1000W |
输入电压 | AC 100-240V@50/60Hz |
外观尺寸图(单位 mm)

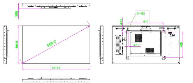
(2)55 英寸全息拼接屏电视基本参数(2*2)
性能 | 指标参数 |
3D图像效果 | ▲1、在观看角度范围内,不存在3D图像跳变。观看者水平移动,可以观看到连续各个角度3D图像; ▲2、观看角度范围内,具有平滑连续的运动视差以及正确的3D立体图像遮挡关系; |
观看视角 | ▲显示器正面3个最佳观看位置,每个观看位置观看视角约25度(在某固定观看位置,观看者左右移动时会观看到两次图像跳变,两个跳变位置与屏幕中心夹角为观看视角) |
整体3D图像深度 | ▲2*2拼接显示深度为180cm(出屏90cm、入屏90cm); |
视点数目 | ▲60视点,空间视点密度达到2.4个/度 |
是否存在人眼眩晕 | ▲空间视点密度达到2.4个/度,满足人眼辅凑调节机理,长时间观看无不适感 |
配套软件情况 | 配套各类3D模型转件插件及教程,如3DMax、Blender、Unity、UE、C4D等,客户可自行生成3D内容进行展示;支持各类3D格式导入,如max+vray,.blend,.c4d,.fbx.obj(mtl),.gltf;配套专业3D拼接屏播放器;开放交互接口。 |
是否支持2D3D转换 | 支持 |
背光模组亮度均匀度 | 利用亮度计测量背光模组不同位置亮度,可计算出亮度均匀度大于90% |
尺寸 | 55英寸 |
底屏分辨率 | 4K |
显示亮度 | 450nit±50nit |
显示刷新率 | 60Hz |
显示色温 | 8000K±500K |
功能接口 | DP×2 (单接口8K@30Hz,双接口8K@60Hz),HDMI×4(单接口4K@60Hz,四接口8K@60Hz) |
产品功耗 | <200W |
输入电压 | AC 100-240V@50/60Hz |
外观尺寸图(单位 mm)

二、合格报价人要求
1.在中华人民共和国境内注册的,具有独立法人资质的一般纳税人企业。
3.具有独立承担民事责任的能力。
4.具有良好的商业信誉。
5.具有履行合同所必需的经验和专业技术能力。
6.有依法缴纳税收和社会保障资金的良好记录。
7.法律、行政法规规定的其他条件。
三、合同
下面为合同关键条款,报价人应充分了解:
工期:30个自然日。
支付:合同签订并收到等额发票验收合格后支付合同全款。
四、报价人提交材料
1.营业执照(加盖公章)
2.报价单(加盖公章)
3.真实性承诺函(见附件)
4.相关业绩(合同复印件)
5.其他与本项目相关的材料(加盖公章)
五、报价人须知
(一)报价无论是否被采纳,报价方均须承担响应询价所发生的一切费用。
(二)本项目由广东省博物馆组织评审,以综合评分高者得的方式进行采购。评选结果向报价人发出通知。
(三)本次采购内容最高限价为16万元(如果报价低于最高限价的80%时,应事先准备含有充分理由的说明资料),高于限价则视为无效报价。
(四)报价方提供的报价材料均需加盖公章。
(五)递交时间:2024年9月24日至2024年9月29日(公示5个工作日)。报价单位的报价文件需密封递交并在封口处加盖公章,报价方上述所需资料一式三份提交至广东省博物馆信息技术部(邮寄地址:广州市天河区珠江东路2号 信息技术部赵锋收)。该采购文件原件必须一并放在密封文件袋内。密封件上标明项目名称。
联系人:赵锋 联系电话:020-38046853
附件一:
承 诺 函
本单位提供给广东省博物馆关于《 项目》采购文件资料真实有效,若有弄虚作假,愿承担一切后果。
承诺人:
2024年 月 日
评价表:
序号 | 评审项目 | 评审内容 | 分值 |
1 | 企业信誉 | 具有良好的商业信誉,出具相关凭证得3分; 提供2022年至2023年年度财务会计报表3分,且连续两年盈利; 有依法缴纳税收,提供2023年纳税凭证得3分; 社会保障资金的良好记录,提供过去半年任一个月的社保证明材料得3分; **上述证明材料均需加盖公章 | 12分 |
2 | 同类项目业绩 | 提供2020年以来同业同类项目业绩,每提供一个得2分,最高分8分。 (提供可代表合同实施内容的合同页和签章页,圈记与本项目相关的要点。 | 8分 |
3 | 企业资质 | 企业具有相关认证情况: 1、提供独立拥有裸眼3d相关技术知识产权证明,每有一项得2分。 总分10分 | 10分 |
4 | 设备参数要求 | 符合上文指标参数标注▲,每有一项得2分,最高分10分。 | 20分 |
5 | 实施方案
| 报价人应充分了解需求,结合本项目采购的服务内容提出针对性的实施方案。 实施方案优秀得13-20分; 实施方案一般得7-12分; 实施方案不可行得1-6分; 没有实施方案不得分。 | 20分 |
6 | 售后服务方案 | 售后服务方案横向比较 最优得8-10分 次之得4-7分 一般得1-3分 没有售后服务方案不得分 | 10分 |
7 | 价格评分 | 价格采用低价优先法计算,即满足招标需求且投标价格最低的投标价为评标基准价,其价格为满分,其他投标人的价格统一按照下列公式计算: 投标报价得分=(评标基准/投标报价)×100×权重 | 20分 |
合计 | 100 |